关键字:科慕芯,视觉检测,缺陷检测,引线框架,晶圆检测,PCB,半导体;
封装定义
封装,就是指把硅片上的电路管脚,用导线接引到外部接头处,以便与其它器件连接·封装形式是指安装半导体集成电路芯片用的外壳。它不仅起着安装、固定、密封、保护芯片及增强电热性能等方面的作用,而且还通过芯片上的接点用导线连接到封装外壳的引脚上,这些引脚又通过印刷电路板上的导线与其他器件相连接,从而实现内部芯片与外部电路的连接。因为芯片必须与外界隔离,以防止空气中的杂质对芯片电路的腐蚀而造成电气性能下降。另一方面,封装后的芯片也更便于安装和运输。
衡量一个芯片封装技术先进与否的重要指标是芯片面积与封装面积之比,这个比值越接近1越好。封装时主要考虑的因素:
1、芯片面积与封装面积之比为提高封装效率,尽量接近1:1;
2、引脚要尽量短以减少延迟,引脚间的距离尽量远,以保证互不干扰,提高性能;
3、 基于散热的要求,封装越薄越好。
封装大致经过了如下发展进程:
结构方面:TO->DIP->PLCC->QFP->BGA ->CSP;
材料方面:金属、陶瓷->陶瓷、塑料->塑料;
引脚形状:长引线直插->短引线或无引线贴装->球状凸点;
装配方式:通孔插装->表面组装->直接安装









































电子元件封装术语大全:
1、BGA(ball grid array)
球形触点陈列,表面贴装型封装之一。在印刷基板的背面按陈列方式制作出球形凸点用 以代替引脚,在印刷基板的正面装配LSI 芯片,然后用模压树脂或灌封方法进行密封,也称为凸点陈列载体(PAC),引脚可超过200,是多引脚LSI 用的一种封装。该封装是美国 Motorola 公司开发的,引脚数为225,现在也有一些LSI 厂家正在开发500引脚的 BGA。
2、BQFP(quad flat package with bumper)
带缓冲垫的四侧引脚扁平封装。QFP 封装之一,在封装本体的四个角设置突起(缓冲垫) 以防止在运送过程中引脚发生弯曲变形,美国半导体厂家主要在微处理器和ASIC等电路中采用此封装。引脚数从 84 到 196 左右。
3、碰焊 PGA(butt joint pin grid array)
表面贴装型 PGA 的别称。
4、C-(ceramic)
表示陶瓷封装的记号。例如,CDIP表示的是陶瓷DIP,是在实际中经常使用的记号。
5、Cerdip
用玻璃密封的陶瓷双列直插式封装,用于ECL RAM、DSP(数字信号处理器)等电路。带有玻璃窗口的 Cerdip 用于紫外线擦除型 EPROM 以及内部带有 EPROM 的微机电路等,引脚数从 8 到 42。
6、Cerquad
表面贴装型封装之一,即用下密封的陶瓷 QFP,用于封装 DSP 等的逻辑 LSI 电路。带有窗口的 Cerquad 用于封装 EPROM 电路,散热性比塑料 QFP 好,在自然空冷条件下可容许 1. 5~2W 的功率。但封装成本比塑料 QFP 高 3~5 倍,引脚数从 32 到 368。
7、CLCC(ceramic leaded chip carrier)
带引脚的陶瓷芯片载体,表面贴装型封装之一,引脚从封装的四个侧面引出,呈丁字形 ,带有窗口的用于封装紫外线擦除型 EPROM 以及带有 EPROM 的微机电路等。
8、COB(chipon board)
板上芯片封装,是裸芯片贴装技术之一,半导体芯片交接贴装在印刷线路板上,芯片与基板的电气连接用引线缝合方法实现,芯片与基板的电气连接用引线缝合方法实现,并用树脂覆盖以确保可靠性,虽然 COB 是最简单的裸芯片贴装技术,但它的封装密度远不如 TAB 和倒片 焊技术。
9、DFP(dual flat package)
双侧引脚扁平封装,是 SOP 的别称。
10、DIC(dual in-line ceramic package)
陶瓷 DIP(含玻璃密封)的别称。
11、DIL(dual in-line)
DIP 的别称(见 DIP),欧洲半导体厂家多用此名称。
12、DIP(dual in-line package)
双列直插式封装。插装型封装之一,引脚从封装两侧引出,封装材料有塑料和陶瓷两种,DIP 是最普及的插装型封装,应用范围包括标准逻辑 IC,存贮器 LSI,微机电路等,引脚数从 6 到 64。
13、DSO(dual small out-lint)
双侧引脚小外形封装,SOP 的别称。
14、DICP(dual tape carrier package)
双侧引脚带载封装。TCP(带载封装)之一,引脚制作在绝缘带上并从封装两侧引出,由于利用的是 TAB(自动带载焊接)技术,封装外形非常薄,常用于液晶显示驱动 LSI,但多数为定制品。
15、DIP(dual tape carrier package)
同上,日本电子机械工业会标准对 DTCP 的命名(见 DTCP)。
16、FP(flat package)
扁平封装,表面贴装型封装之一,QFP 或 SOP(见 QFP 和 SOP)的别称。
17、flip-chip
倒焊芯片。裸芯片封装技术之一,在 LSI 芯片的电极区制作好金属凸点,然后把金属凸点与印刷基板上的电极区进行压焊连接,封装的占有面积基本上与芯片尺寸相同,是所有封装技术中体积最小、最薄的一种。
18、FQFP(fine pitch quad flat package)
小引脚中心距 QFP,通常指引脚中心距小于 0.65mm 的 QFP(见 QFP)。
19、CPAC(globe top pad array carrier)
美国 Motorola 公司对 BGA 的别称(见 BGA)。
20、CQFP(quad fiat package with guard ring)
带保护环的四侧引脚扁平封装。塑料 QFP 之一,引脚用树脂保护环掩蔽,以防止弯曲变形,在把 LSI 组装在印刷基板上之前,从保护环处切断引脚并使其成为海鸥翼状(L 形状),这种封装在美国 Motorola 公司已批量生产,引脚中心距 0.5mm,引脚数最多为 208 左右。
21、H-(with heat sink)
表示带散热器的标记,例如,HSOP 表示带散热器的 SOP。
22、pin grid array(surface mount type)
表面贴装型 PGA。通常 PGA 为插装型封装,引脚长约 3.4mm,表面贴装型 PGA 在封装的底面有陈列状的引脚,其长度从 1.5mm 到 2.0mm,贴装采用与印刷基板碰焊的方法,因而也称为碰焊 PGA。
23、JLCC(J-leaded chip carrier)
J 形引脚芯片载体,指带窗口 CLCC 和带窗口的陶瓷 QFJ 的别称(见 CLCC 和 QFJ),部分半导体厂家采用的名称。
24、LCC(Leadless chip carrier)
无引脚芯片载体。指陶瓷基板的四个侧面只有电极接触而无引脚的表面贴装型封装,是高速和高频 IC 用封装,也称为陶瓷 QFN 或 QFN-C(见 QFN)。
25、LGA(land grid array)
触点陈列封装。即在底面制作有阵列状态坦电极触点的封装,装配时插入插座即可,现已实用的有 227 触点(1.27mm 中心距)和 447 触点(2.54mm 中心距)的陶瓷 LGA,应用于高速逻辑 LSI 电路。
26、LOC(lead on chip)
芯片上引线封装。LSI 封装技术之一,引线框架的前端处于芯片上方的一种结构,芯片的中心附近制作有凸焊点,用引线缝合进行电气连接,与原来把引线框架布置在芯片侧面附近的结构相比,在相同大小的封装中容纳的芯片达 1mm 左右宽度。
27、LQFP(lowprofile quad flat package)
薄型 QFP,指封装本体厚度为 1.4mm 的 QFP,是日本电子机械工业会根据制定的新 QFP 外形规格所用的名称。
28、L-QUAD
陶瓷 QFP 之一,封装基板用氮化铝,基导热率比氧化铝高 7~8 倍,具有较好的散热性,封装的框架用氧化铝,芯片用灌封法密封,从而抑制了成本。
29、MCM(multi-chip module)
多芯片组件。将多块半导体裸芯片组装在一块布线基板上的一种封装。根据基板材料可分为 MCM-L,MCM-C 和 MCM-D 三大类。
MCM-L 是使用通常的玻璃环氧树脂多层印刷基板的组件,布线密度不怎么高,成本较低 ;
MCM-C 是用厚膜技术形成多层布线,以陶瓷(氧化铝或玻璃陶瓷)作为基板的组件,与使用多层陶瓷基板的厚膜混合 IC 类似,两者无明显差别,布线密度高于 MCM-L;
MCM-D 是用薄膜技术形成多层布线,以陶瓷(氧化铝或氮化铝)或 Si、Al 作为基板的组件,布线密谋在三种组件中是最高的,但成本也高。
30、MFP(mini flat package)
小形扁平封装,塑料 SOP 或 SSOP 的别称(见 SOP 和 SSOP)。
31、MQFP(metric quad flat package)
按照 JEDEC(美国联合电子设备委员会)标准对 QFP 进行的一种分类,指引脚中心距为0.65mm、本体厚度为 3.8mm~2.0mm 的标准 QFP(见 QFP)。
32、MQUAD(metal quad)
美国 Olin 公司开发的一种 QFP 封装,基板与封盖均采用铝材,用粘合剂密封,在自然空冷条件下可容许 2.5W~2.8W 的功率。
33、MSP(mini square package)
QFI 的别称(见 QFI),在开发初期多称为 MSP,QFI 是日本电子机械工业会规定的名称。
34、OPMAC(over molded pad array carrier)
模压树脂密封凸点陈列载体,美国 Motorola 公司对模压树脂密封 BGA 采用的名称(见 BGA)。
35、P-(plastic)
表示塑料封装的记号,如 PDIP 表示塑料 DIP。
36、PAC(pad array carrier)
凸点陈列载体,BGA 的别称(见 BGA)。
37、PCLP(printed circuit board leadless package)
印刷电路板无引线封装。引脚中心距有 0.55mm 和 0.4mm 两种规格,目前正处于开发阶段。
38、PFPF(plastic flat package)
塑料扁平封装。塑料 QFP 的别称(见 QFP),部分 LSI 厂家采用的名称。
39、PGA(pin grid array)
陈列引脚封装。插装型封装之一,其底面的垂直引脚呈陈列状排列,封装基材基本上都采用多层陶瓷基板,在未专门表示出材料名称的情况下,多数为陶瓷 PGA,用于高速大规模逻辑 LSI 电路,成本较高,引脚中心距通常为 2.54mm,引脚数从 64 到 447 左右。
40、piggy back
驮载封装。指配有插座的陶瓷封装,形关与 DIP、QFP、QFN 相似,这种封装基本上都是定制品,市场上不怎么流通。
41、PLCC(plastic leaded chip carrier)
带引线的塑料芯片载体。表面贴装型封装之一,引脚从封装的四个侧面引出,呈丁字形 ,是塑料制品,引脚中心距 1.27mm,引脚数从 18 到 84。
PLCC 与 LCC(也称 QFN)相似,以前,两者的区别仅在于前者用塑料,后者用陶瓷,但现在已经出现用陶瓷制作的J 形引脚封装和用塑料制作的无引脚封装(标记为塑料 LCC、PC LP、P -LCC 等),已经无法分辨。
42、P-LCC(plastic teadless chip carrier)(plastic leaded chip currier)
有时候是塑料 QFJ 的别称,有时候是 QFN(塑料 LCC)的别称(见 QFJ 和 QFN),部分LSI 厂家用 PLCC 表示带引线封装,用 P-LCC 表示无引线封装,以示区别。
43、QFH(quad flat high package)
四侧引脚厚体扁平封装。塑料 QFP 的一种,为了防止封装本体断裂,QFP 本体制作得较厚(见 QFP),部分半导体厂家采用的名称。
44、QFI(quadflat I-leaded packgac)
四侧 I 形引脚扁平封装。表面贴装型封装之一,引脚从封装四个侧面引出,向下呈 I 字 ,也称为 MSP(见 MSP),引脚中心距 1.27mm,引脚数从 18 于 68。
45、QFJ(quad flat J-leaded package)
四侧 J 形引脚扁平封装。表面贴装封装之一,引脚从封装四个侧面引出,向下呈 J 字形 ,是日本电子机械工业会规定的名称,引脚中心距 1.27mm,引脚数从 18 至 84。
46、QFN(quad flat non-leaded package)
四侧无引脚扁平封装。表面贴装型封装之一,现在多称为 LCC,封装四侧配置有电极触点,由于无引脚,贴装占有面积比 QFP 小,高度 比QFP 低,料有陶瓷和塑料两种,当有 LCC 标记时基本上都是陶瓷 QFN,电极触点中心距 1.27mm。
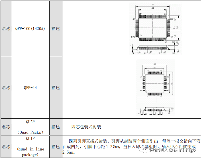
47、QFP(quad flat package)
四侧引脚扁平封装。表面贴装型封装之一,引脚从四个侧面引出呈海鸥翼(L)型,基材有陶瓷、金属和塑料三种。
从数量上看,塑料封装占绝大部分,当没有特别表示出材料时,多数情 况为塑料 QFP,塑料 QFP 是最普及的多引脚 LSI 封装,在引脚中心距上不加区别,而是根据封装本体厚度分为QFP(2.0mm~3.6mm 厚)、LQFP(1.4mm 厚)和 TQFP(1.0mm 厚)三种。
48、QFP(FP)(QFP fine pitch)
小中心距 QFP。日本电子机械工业会标准所规定的名称,指引脚中心距为 0.55mm、0.4mm 、0.3mm 等小于 0.65mm 的 QFP(见 QFP)。
49、QIC(quad in-line ceramic package)
陶瓷 QFP 的别称。部分半导体厂家采用的名称(见 QFP、Cerquad)。
50、QIP(quad in-line plastic package)
塑料 QFP 的别称。部分半导体厂家采用的名称(见 QFP)。
51、QTCP(quad tape carrier package)
四侧引脚带载封装。TCP 封装之一,在绝缘带上形成引脚并从封装四个侧面引出,是利用TAB 技术的薄型封装(见 TAB、TCP)。
52、QTP(quad tape carrier package)
四侧引脚带载封装。日本电子机械工业会于 1993 年 4 月对 QTCP 所制定的外形规格所用的名称(见 TCP)。
53、QUIL(quad in-line)
QUIP 的别称(见 QUIP)。
54、QUIP(quad in-line package)
四列引脚直插式封装。引脚从封装两个侧面引出,每隔一根交错向下弯曲成四列,引脚中心距 1.27mm,当插入印刷基板时,插入中心距就变成 2.5mm,因此可用于标准印刷线路板,材料有陶瓷和塑料两种,引脚数 64。
55、SDIP (shrink dual in-line package)
收缩型 DIP。插装型封装之一,形状与 DIP 相同,但引脚中心距(1.778mm)小于 DIP(2.54 mm),因而得此称呼,引脚数从 14 到 90,也有称为 SH-DIP 的,材料有陶瓷和塑料两种。
56、SH-DIP(shrink dual in-line package)
同 SDIP,部分半导体厂家采用的名称。
57、SIL(single in-line)
SIP 的别称(见 SIP),欧洲半导体厂家多采用 SIL 这个名称。
58、SIMM(single in-line memory module)
单列存贮器组件。只在印刷基板的一个侧面附近配有电极的存贮器组件,通常指插入插座的组件,标准 SIMM 有中心距为 2.54mm 的 30 电极和中心距为 1.27mm 的 72 电极两种规格 。
59、SIP(single in-line package)
单列直插式封装。引脚从封装一个侧面引出,排列成一条直线,当装配到印刷基板上时封装呈侧立状,引脚中心距通常为 2.54mm,引脚数从 2 至 23,多数为定制产品。
60、SK-DIP(skinny dual in-line package)
DIP 的一种。指宽度为7.62mm、引脚中心距为 2.54mm 的窄体 DIP,通常统称为 DIP(见 DIP)。
61、SL-DIP(slim dual in-line package)
DIP 的一种。指宽度为 10.16mm,引脚中心距为 2.54mm 的窄体 DIP,通常统称为 DIP。
62、SMD(surface mount devices)
表面贴装器件。偶而,有的半导体厂家把 SOP 归为 SMD(见 SOP)。
63、SO(small out-line)
SOP 的别称。世界上很多半导体厂家都采用此别称,(见 SOP)。
64、SOI(small out-line I-leaded package)
I 形引脚小外型封装。表面贴装型封装之一,引脚从封装双侧引出向下呈 I 字形,中心距1.27mm,贴装占有面积小于 SOP,引 脚 数 26。
65、SOIC(small out-line integrated circuit)
SOP 的别称(见 SOP)。国外有许多半导体厂家采用此名称。
66、SOJ(Small Out-Line J-Leaded Package)
J 形引脚小外型封装。表面贴装型封装之一,引脚从封装两侧引出向下呈 J 字形,故此 得名,通常为塑料制品,多数用于 DRAM 和 SRAM 等存储器 LSI 电路,但绝大部分是 DRAM,引脚中心距 1.27mm,引脚数从 20 至40(见 SIMM )。
67、SQL(Small Out-Line L-leaded package)
按照 JEDEC(美国联合电子设备工程委员会)标准对 SOP 所采用的名称(见 SOP)。
68、SONF(Small Out-Line Non-Fin)
无散热片的 SOP。与通常的 SOP 相同,为了在功率 IC 封装中表示无散热片的区别,有意增添了 NF(non-fin)标记,部分半导体厂家采用的名称(见 SOP)。
69、SOF(small Out-Line package)
小外形封装。表面贴装型封装之一,引脚从封装两侧引出呈海鸥翼状(L 字形),材料有塑料和陶瓷两种,另外也叫 SOL 和 DFP,引脚中心距 1.27mm,引脚数从 8 ~44。
另外,引脚中心距小于 1.27mm 的 SOP 也称为 SSOP;装配高度不到 1.27mm 的 SOP 也称为TSOP(见 SSOP、TSOP),还有一种带有散热片的 SOP。
70、SOW (Small Outline Package(Wide-Jype))
宽体 SOP。部分半导体厂家采用的名称。
本文来源:转自网上,如有侵权,立即删除